Das 'Milton Bradley Expansion System' - alias 'Milton Bradley Expander', oder 'MBX'

Eine unvollendete und (inzwischen gar nicht mehr so) spekulative Vorab-Analyse



Nach dem Fehlschlag des Projekts Gemini kam der Milton Bradley Expander, der dann zur Markteinführung das 'Milton Bradley Expansion System' wurde, das aber immer noch mit 'MBX' abgekürzt wurde.
Das MBX, wie auch ich es ab jetzt (pars pro toto) nenne, wird von manchen als das 'Second Unicorn besides the TI-99/4' bezeichnet. 'Unicorn' meint hier, daß man eher selten eines zu Gesicht bekommt... naja, wie man das nimmt. Als ich meine(s) kaufte (Adventszeit 2025), waren kurz nacheinander vier in den USofA im Angebot, das beste war leider schon weg, nämlich das von Arcadeshopper (wieder mal), welches neben einem kompletten MBX in OVP auch alle Module beinhaltete, teilweise mit Anleitung und Overlay. Und das zu einem Preis, den ich besser nicht nenne, denn dafür habe ich dann danach eines lose, ohne OVP, ohne Mikrophon und ohne Module bekommen...
Zum Glück kam dann noch ein komplettes mit Mikrophon und OVP für rund USD 100,- weniger in Verkauf - nun sind's zwei. Das vierte kam zwar mit drei Modulen samt Anleitungen und Overlays, aber wieder ohne Joystick, ohne Mikro und in einem recht diskutablen Zustand - aber NOCH billiger. Wäre eine gute Sache gewesen, wenn ein Joystick dabei gewesen wäre, aber so... (Nachtrag: ich konnte einen wirklich SEHR guten Preis verhandeln, jetzt sind es drei)
Das sind die berühmten 'Wellen', mit denen man als Jäger so seine liebe Freude/Mühe hat...

Wozu das Ganze?

Wer mich kennt weiß, daß ich kein 'Gamer' bin - warum kaufe ich mir also so'n Ding, bzw. gleich zwei? Nun, zum einen bin ich 'Nimm Zwei' verseucht 😉... also gut, DAS war's nicht - sind ja auch drei. Ich will eines zerlegen, einen Schaltplan machen, das ROM auslesen (na gut, das haben andere schon gemacht - aber man ist ja erst dann sicher, wenn man's selbst geprüft hat, gelle!?), und am Ende eines prototypisch nachbauen - alle Chips sind noch verfügbar, auch der SP1000 sowie die CPU samt Peripheriebaustein, die ADCs, die RAMs etc. - und sicher bekomme ich auch ein 8K E(E)PROM auf das Board adaptiert. Nur für das Bedienfeld fehlt mir noch eine zündende Idee, aber die kommt sicher noch...

Und das 'Warum'? Da halte ich mich an Harald: 'Weil ich's kann!'

MBX, LIS'NER1000, Hearsay - wer mit wem und wer von wem?

Das Thema 'Analyse eines MBX Systems' wurde vor wenigen Jahren auf Atariage angesprochen, und ich war etwas verwundert, daß der Thread einfach so abriss, nachdem recht fragmentarische (nicht unbedingt falsche) Informationen gestreut wurden. Eine etwas intensivere Recherche beim netten Inder hat mir in recht kurzer Zeit Links auf den Micromint LIS'NER 1000 gebracht, eine Steck-Karte für den Apple II, die dem MBX bzgl. der Audio-Signalverarbeitung verblüffend ähnlich sieht. Dann gab es noch ein Video über das 'Hearsay 64' (hieß vorher 'The Recognizer'), das - wie man schon ahnt - ein unvollständiger Klon des Lis'ners für den Brotkasten war - mit den C64-typischen Ausfällen wie: 'Demo is bogus', 'Sporadic Lockups' und so weiter undsofort... doch muss zur 'Ehrenrettung' des Hearsay gesagt werden, daß es beispielsweise auch - ja, wirklich - für den IBM-PC verfügbar war.
Die Frage, ob und wer nun von wem abgekupfert hat, ist dabei nicht leicht zu beantworten, aber der Lis'ner scheint irgendwann um 1984 auf den Markt gekommen zu sein, das entnehme ich einem Artikel aus 'Ciarcias Circuit Cellar' aus dem Jahr 1984 sowie dem Lis'ner User-Manual, das für die Version 2.0 ein Copyright von 1984 angibt. Das MBX wurde auf der CES 1983 angekündigt (aber Gemini sowie der Expander waren ja schon da...), und - trotz dem zu diesem Zeitpunkt schon beschlossenen Ausstieg von TI aus dem Homecomputer-Segment - vermarktet. Es ist daher nicht eindeutig zu klären, wer zuerst da war und wer von wem abgekupfert hat, und ich investiere die Zeit, statt das endgütig zu klären, lieber in die Schaltungsanalyse (der Brotkastenadapter kam viel später und war ein - wie üblich und oben schon gesagt - schlechter Klon des Lis'ners).
... und am Ende basiert das alles wahrscheinlich sowieso auf ein und derselben App-Note von GI, und die ganze Aufregung war für die Katz...

Die Vorab-Analyse

Diese Analyse fertigte ich zunächst ausschließlich aufgrund mir vorliegender Dokumente an, ohne ein MBX physisch vor mir zu haben. Das war auch im ersten Schritt nicht nötig, denn zunächst reicht das Bild der Hauptplatine von Mainbyte um Analogien zu finden. Und von denen gibt es eine ganze Menge!

Nachdem ich das etwas verwaiste Thema 'Nachbau eines MBX' auf Atariage aufgegriffen hatte (siehe oben), kam Bewegung in die Sache, und ich konnte zusammen mit einem anderen 'Forscher' (JasonACT), der sich auf die Analyse via Software mittels eines 6809-Simulators spezialisiert hatte, einige Dinge klarstellen bzw. zur Deckung bringen.
Statt nun diesen ganzen Text neu zu schreiben, habe ich mich entschlossen, die Spekulationen sukzessive gegen die gefundenen (und verifizierten!) Fakten auszutauschen bzw. damit zu ergänzen, da bekanntlich ja der Weg das Ziel ist.
Alsdann...


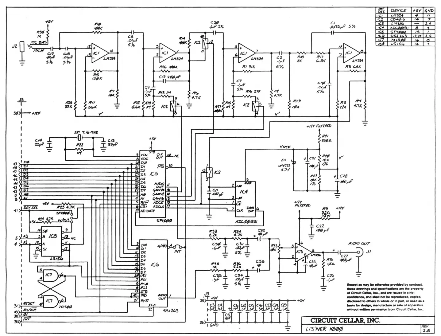
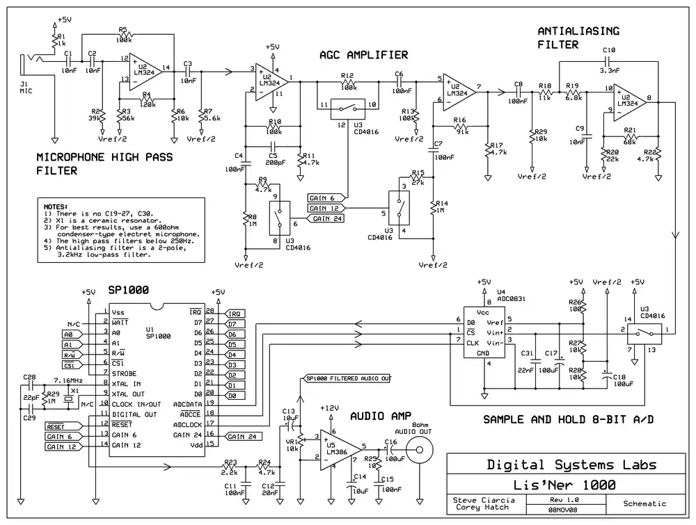
Nebenstehend ein paar Schaltbilder vom Lis'ner - allein die Übereinstimmung in der Stückliste ist schon frappierend! Weiter unten gibt es dann noch ein Blockschaltbild vom SP1000.
Übrigens: Wer im Internet nur nach MBX, SP1000 oder so sucht, wird schnell frustriert sein - aber wenn man nach dem Lis'ner sucht, bekommt man sogar ein ziemlich hinreichendes Datenblatt zum SP1000, das einem auch einen Hinweis darauf gibt, wie der 6809 (theoretisch!) seinen Takt bekommt - das kleine blaue Ding ist nämlich kein Kondensator... und der SP1000 ist explizit dafür konzipiert, einen Mikroprozessor takten! Nur sind die 3,58 MHz nicht genug für den 68A09...

Zerlegen des MBX

Das geht in mehreren Schritten: zuerst wird der Deckel entfernt, indem sechs Schrauben auf der Unterseite gelöst werden. Bei vieren davon muss der eingestöpselte Fuß erst entfernt werden, bevor man an die Schraube kann.
Dann kann man den Deckel ohne weiteres abheben, muss aber auf 'halber Strecke' die Kontakte des Keypads links unten abziehen! Alle Komponenten (bis eben auf das Keypad) verbleiben in der unteren Gehäuseschale.
Was mir aber etwas Sorge bereitet, ist das ganze Plastik-Gebrösel, das aus den Schraubenlöchern kam - auch beim Zerlegen des Joysticks! Da muss ich beim Zusammenbauen sicherstellen, daß mir später kein Gewinde flöten geht...

Um die Platine auszubauen, muss u.a. der Spannungsregler gelöst werden - entweder an der Schraube des Kühlkörpers, dann hängt einem der schwere Kükörper dauernd im Weg, oder an der Schraube des Reglers, dann wird der Regler aber schneller warm, falls man Tests am laufenden System vornehmen will. Natürlich müssen der TI-Interfacestecker und der Lautsprecher abgezogen werden - der Lautsprecher verbleibt zunächst am Board und muss anschließend abgelötet werden (das empfiehlt sich sowieso, sofern man keine Funktionstests machen will - er ist einfach immer im Weg).
Tja - und dann kommen diese Abschirmboxen (Tunerboxen) dran... denn es sind zwei, wobei die obere die untere überlappt, d.h. die obere muss zuerst raus, bevor man die Fixierung der unteren aufheben kann.
Fixiert sind beide mit den berühmten Laschen, die je nach sadistischer Disposition des Montageleiters entweder nur verdreht, oder auch verlötet werden - das muss jeder selbst hinbekommen...

Die BOM - oder: 'Kuck mal, was da verlötet ist!'

Na wen haben wir denn da?
  • 1x 7805 - Spannungsregler 5V 1A (oder 1,5A, je nachdem, in welches Datenblatt man schaut), gespeist mit 9V Gleichspannung aus einem Steckernetzteil
  • 2x 74LS125 - 4-fach Buspuffer mit Tri-State Ausgängen, vermutlich für die Schnittstelle zum TI
  • 1x 74LS138 - 3 nach 8 Decoder, der vermutlich den Adressbereich grob in 8K Blöcke aufteilt, die da sein könnten (hochspekulativ, das gebe ich zu):
    • >0000->1FFF - nicht decodiert
    • >2000->3FFF - RAM 1
    • >4000->5FFF - RAM 2
    • >6000->7FFF - ADC Read
    • >8000->9FFF - ADC Write
    • >A000->BFFF - PIA (Keypad und TI-Interface
    • >C000->DFFF - SP1000
    • >E000->FFFF - ROM, Reset, OS, Daten
    Das ist der aktuelle Stand lt. Jason, den ich noch anhand der Hardware (er hat nur die Fotos der Platine) verifizieren muss. Ich bin mir da nicht nicht sicher, was das RAM angeht, denn das wären 16KB, die nur mit 2KB RAMs besetzt sind, ohne die Möglichkeit, größere Chips einzulöten, da - im Gegensatz zum ROM - keine Pins vorgehalten wurden. Denn die 4 freien Pins der (P)ROM Fassung deuten an, daß eventuell mehr als 2x8K möglich sind...
    Die tatsächliche Memory-Map findet man dann in der Software-Ecke!
  • 1x 74LS02 - 4-fach NOR Gatter mit je 2 Eingängen
  • 1x 74LS74 - 2-fach positiv flankengetriggertes D-Flipflop mit Preset und Clear
  • 2x HM6116P-4 - 2Kx8 statisches RAM
  • 1x MM52664MBX/N - 8Kx8 (P)ROM mit Betriebssystem und Daten, positioniert am oberen Ende des Adressbereichs der CPU, da die CPU den Reset-Vektor bei >FFFE und >FFFF erwartet. Anhand der 4 freien Pins der Fassung kann man vermuten, daß eine Erweiterung des Betriebssystems zumindest 'angedacht' war...
  • 1x SP1000 - Voice Recognition/Synthesis System
  • 1x 68A09P - 6809 8-bit Mikroprozessor, 1,5 MHz Bustakt
  • 1x 68A21P - 68xx Peripheral Interface Adapter (PIA), 1,5 MHz Bustakt, vermutlich u.a. Ansteuerung des 8x8 Keypads
  • 1x ADC0809CCN - 8-Kanal 8-Bit paralleler Analog-Digital-Konverter, Vermessen der Potis und Taster in den beiden Joysticks
  • 1x ADC0831CCN - 1-Kanal 8-Bit serieller Analog-Digital Konverter, Wandlung der Signale vom Mikrophon
  • 1x LM386N - Audio Leistungsverstärker für niedrige Spannungen, Sprach- und Tonausgabe (?)
  • 1x LM324N - 4-fach Operationsverstärker, Aufbereitung des Mikrophonsignals bzgl. Pegel (AGC) und Filterung
  • 1x CD4066 - 4-fach Analogschalter, Steuerung der Mikrophon-Signalaufbereitung bzgl. AGC
  • 1x Keramischer Resonator 6,0 MHz, Takt für CPU und PIA
  • 1x Keramischer Resonator 7,16 MHz, Takt für SP1000
  • jede Menge Widerstände, Kondensatoren und Dioden
  • Stecker, Buchsen, Spulen, zwei (einsame) Transistoren...

Die Pinouts

6809 6821 RAM ROM SP1000 ADC0809 ADC0831
LM324 LM386 CD4066 LS02 LS74 LS125 LS138
7805

Der SP1000

Der SP1000 gehört(e) zur 'Speech Family' Linie von General Instruments, und der Lis'ner kann z.B. mit einem SSI263 Phonem-Sprachsynthesizer erweitert werden - näheres kann man dem Handbuch der Apple-II Variante entnehmen.
Was der Lis'ner nicht kann, ist der Vergleich gegen vom Anwender eingesprochene Worte - das kann aber das MBX! Im MBX wird der SP1000 für die LPC-Sprachausgabe und für die LPC-basierte Spracherkennung eingesetzt. Bis auf weiteres bleibt es bei dem rechts zu findenden Bild aus dem Datenblatt mit einer minimalen Anwendung eines Erkennungs-/Ausgabesystems mit Mikroprozessor.
Der SP1000 ist aktuell noch relativ gut verfügbar, zu Stückpreisen zwischen 10,- und 15,- Euro (plus Porto). Kniffliger wird es bei der Taktversorgung, zumindest wenn man 'originalgetreu' bleiben will, denn die Keramikschwinger von Murata sind zwar lieferbar, aber die 7,16 MHz machen die Sache knifflig... ich habe die Dinger in Australien gefunden, und sie waren selbst mit Porto recht günstig (günstiger zumindest als bei Mouser, Digikey oder anderen Distributoren - da machen die Mindermengenzuschläge dem Spaß ein Ende). Wenn er seinen eigenen Takt generiert, liefert er ein 3,58 MHz Signal für einen Mikroprozesser ab, ansonsten kann man diese 3,58 MHz auch direkt einspeisen und spart sich den Baustein.

CPU und PIA

Auf der Platine finden sich 2 Mikroprozessorkomponenten:
  • Ein Hitachi HD68A09P 8-Bit Mikroprozessor (mit 16-Bit Funktionen), sowie
  • ein Hitachi HD68A21P Parallel-Interface-Adapter, der vermutlich u.a. das 8x8 Keyboard bedient.
Das 'A' sagt bei beiden Chip aus, daß es sich um die 6 MHz Variante handelt (effektiver Bustakt ist ein Viertel davon, also 1,5 MHz), und das Fehlen eines 'E' am Ende der Bezeichnung indiziert die Variante mit On-Chip Oszillator, d.h. man kann den Takt nicht aus einem der so praktischen DIL-Generatoren einspeisen. Das macht aber nichts. Ein 'B' indiziert übrigens einen 8 MHz Takt.
Die Verfügbarkeit der Chips in der NMOS-Version ist knifflig - entweder stammen sie aus dubiosen Quellen (i.d.R. China), sind sehr teuer (mehr als 20 Euro pro Stück) oder sind nur in der Version mit 1 MHz Bustakt (weder A noch B) zu bekommen. Aber das ist kein Problem, denn die offensichtliche Nachfrage nach diesen Chips hat dazu geführt, daß die CMOS-Variante (63xx statt 68xx) zu absolut akzeptablen Preisen verfügbar ist, und das sogar meist in der B-Version mit 2 MHz effektivem Bus-Takt! Also flugs ein paar davon beschafft...

Die ADC

Es finden sich 2 ADC, die für verschiedene Zwecke eingesetzt werden:
  1. Der serielle ADC0831 wird für die Spracherkennung genutzt. Auf seiner digitalen (=Ausgangs-) Seite wird er vom SP1000 direkt unterstützt, auf seiner analogen (=Eingangs-) Seite ist einiges an Filterung und Amplitudenanpassung erforderlich, um im zulässigen Spannungs- (AGC) und Frequenzbereich (Anti-Alias) zu bleiben.
  2. Der parallele ADC0809 verfügt über 8 Eingänge (8:1 Multiplex) und wird für die Joysticks genutzt.
Der ADC0831 bezieht seinen 150 kHz Takt vom SP1000 sobald dieser Daten lesen will - woher der ADC0809 seinen Takt bezieht, kann anhand der Bilder alleine nicht ermittelt werden.

Die Resonatoren

Wie schon weiter oben angedeutet, gibt es bei CPU und PIA kaum eine Wahl - die E-Varianten sind schwer zu bekommen. Hier muss also ein 6 MHz keramischer Längsschwinger von Murata genommen werden - die sind leicht und billig bei eBay zu beschaffen. Zum 7,16 MHz Resonator habe ich oben schon geschrieben.

Die Joysticks

Das ist der eigentlich wirklich knifflige Teil beim Nachbau eines MBX, auch wenn das am Anfang vielleicht nicht so aussieht. Das betrifft natürlich zunächst die Elektronik - den kompletten Griff per 3D-Druck zu erzeugen, könnte aber auch spannend sein...
Schauen wir uns die Dinger erst einmal an: Ein 3-Achsen Joystick mit Rotation der z-Achse (des Hebels/Griffs), für dessen Erfassung je ein Poti pro 'Achse' zwischen Masse und +5V abgegriffen und intern per ADC verarbeitet wird. Dazu 4 Tasten, die über verschiedene Widerstände gegen Masse schalten. Vom 9-Pin Stecker werden 6 Pins genutzt (Pin-Nummern sind diejenigen der PCB, Pin #1 ist auf dem Bild der linke Kontakt mit dem roten Draht):
  • 2 Pins: je ein Pin Masse (#2) und +5V (#1)
  • 3 Pins: 3 Poti-Mittenkontakte (#4: Z, #5: Y, #6: X)
  • 1 Pin: 4 Taster über Widerstände gegen Masse (#3)
Einen 2-Achsen Analog-Joystick bekommt man bei so gut wie allen derzeitigen Elektronik-Versendern für weniger als 10 Euro das Stück. Daß man die Griffachse ('the control knob') nicht drehen kann (solche gibt es für viel Geld, aber nicht so wie beim MBX) ist je nach individuellem Anspruch wohl kein allzu großer Verlust - soweit mir bekannt ist, nutzen das aktuell nur Championship Baseball und Superfly - wer mag, kann ja irgendwo noch ein Poti vorsehen.
Die 4 Taster sollten kein Diskussionsthema sein, aber man muss sie alle haben.

Man findet bei entsprechender Suche durchaus 'Joysticks' (gemeint sind meist Kreuzknüppel an Potentiometern) die sich '3 Axis' nennen, aber da findet in der z-Achse keine Rotation statt, sondern man kann einen Kontakt durch Drücken des Hebels betätigen... dann gibt es welche, die sich '4 Axis' nennen, und auf die Studiotechnik verweisen, die tatsächlich einen drehbaren Hebel haben - manche sogar noch mit einem Knopf zum drücken!
Sind das jetzt pandimensionale '5 Achsen Spaßstäbe'...? Naja, ich habe mal verschiedene Modelle bei den 40 Räubern bestellt.

Der erste sieht schon recht gut aus - alle 3 Achsen durchlaufen die vollen 5 kΩ von Anschlag zu Anschlag, auch die z-Rotation. Nur ist auch da ein Rücksteller drin (der MBX Joystick hat keinen), und der Drehwinkel der Knüppelachse beträgt keine 270° wie beim Original, sondern nur knapp 90°. Den Rücksteller kann man ausbauen, aber mit dem geringen Winkel und der daraus resultierenden höheren Empfindlichkeit muss man wohl leben.
Der zweite hat zusätzlich den Knopf oben drauf, der Rest ist identisch, und der dritte ist, obwohl völlig anders abgebildet und spezifiziert, völlig identisch zum ersten, weswegen es auch kein extra Foto gibt.

Das Keypad (und die Overlays)

Neben den acht generischen Tasten der ersten Reihe gibt es 'Game Overlays' für fünf von den zehn MBX-Spielen. Diese stellen Direktfunktionen bereit, die das 'Gameplay' verbessern sollen... oder ist es eher deswegen, weil die TI-Tastatur dem TI-MBX Interface in die Quere kommen kann? Egal - hilft ja nix...
Das Keypad ist eines der Klasse "Schaltmatte", es hat keinen Druckpunkt, und wird mittels eines eigenen Rahmens und 8 Führungsstegen im unteren Deckelteil korrekt ausgerichtet.
Es funktioniert ähnlich wie die TI-Joysticks, mit den ähnlichen Problemen: Abrieb und Korrosion der (Silber-)Leitschicht. Das kann man auf den Bildern schon sehen. Es verfügt über vier Ebenen/Layer, die durch fünf Stanzungen oben links an ihrer Position zueinander fixiert werden:
  • Die obere Ebene (Layer 0) dient als Schutz und hat keine elektrische Funktion. Sie stellt die Standardfunktionen dar, die durch die Overlays ergänzt werden.
  • Layer 1 ist die Spalten-Ebene wo die Leitsilberbahnen der Kontakte horizontal verlaufen.
  • Layer 2 ist die Abstandsebene, die dafür sorgt, daß die Ruheposition der Kontakte 'offen' ist.
  • Layer 3 schließlich ist die unterste Ebene, in der die Zeilen laufen, hier mit vertikaler Ausrichtung der Kontaktfelder.
Eine 8x8 Matrix mit den billigen 5mm Microtastern zu bauen ist die eine Sache (daß die Abstände der Tastenfelder kein Vielfaches von 2,54mm sind, macht es nicht leichter), die andere ist die Adaption der Overlays. Die sind beim Selbstbau aus farbig bedrucktem und laminiertem Papier, dürfen aber nicht allzu dick laminiert sein, da man sonst entweder mehrere Taster oder gar keinen aktiviert bekommt - oder aber das Laminat geht zu früh kaputt.
Mein Vorschlag sind die sog. 'Knackfrösche', flache Taster mit geringem Hub und breiter Kontakfläche - ich muss mal ein Bild beschaffen. Auch ist die Laminierfolie so ein Thema... dazu gibt es demnächst eine Analyse, denn die habe ich schon im Haus. Schonmal gespoilert sei, daß die üblichen 80-100 Mikrometer definitiv zu dick sind.
Stay tuned!

Das Mikrophon

Sechs von zehn Modulen verwenden Spracherkennung, und das für maximal 11 Worte. Dies erfolgt durch das 'Lernen' bestimmter Begriffe (spezifisch zum jeweiligen Modul), welche der SP1000 analysiert und der CPU zum Speichern übergibt. Anschließend wiederholt sich der Prozess, nur daß dann nicht mehr gelernt, sondern verglichen wird, d.h. der SP1000 liefert ein erkanntes 'Wort' ('Signal' wäre an sich besser, aber was solls...) und die CPU vergleicht es mit den gespeicherten Daten, woraufhin sie den zugeordneten Befehl an den TI schickt - theoretisch, aber es dürfte nicht viel anders laufen. Damit das alles halbwegs zuverlässig funktioniert, muss die Sprache so 'sauber' wie möglich beim ADC ankommen. Deshalb ist das Headset erforderlich, damit das Elektret-Mikrofon ganz nah am Mund positioniert werden kann. Daran schließt sich eine relativ aufwendige Signalverarbeitung an, die separat beschrieben wird.
Leider sind meine beiden MBX mit Micro noch in den USofA - Stay tuned!

Die Schnittstelle zum TI

Es werden zwar beide 9-polige Sub-D Stecker (Joystick und Cassette) am TI belegt, aber der Stecker für den Recorder dient nur der dauerhaften Masseverbindung, und wird auch im Handbuch zur MBX-Konsole 'ground plug' genannt, der sogar bei bestimmten (?) TI-Konsolen entfallen kann, also nicht gesteckt werden muss. Insofern findet also die gesamte bidirektionale (!) Kommunikation über den Joystick-Port statt. Bei 9 Pins könnte man annehmen, daß man 8 Bit Daten mit einem schönen 1-Pin Handshake mit definierter Busruhe implementiert hat, aber wenn man dann das Handbuch liest, wo davon die Rede ist, daß man den 'Ground Plug' auch weglassen kann, bleiben nur 7 Bit übrig... Klarheit bringt nur die weitergehende Analyse. Die Hardware selbst wird im Schaltplan erklärt werden - das Protokoll findet man dann in der Software-Ecke.
Stay tuned!

Das Netzteil

Da ich das MBX aus den USofA bekommen habe, ist auch ein 120V Netzteil dabei - 9 Watt sind schon recht üppig, da muss ich mal nachmessen. Es handelt sich allerdings um ein - recht schweres - Trafo-Netzteil, d.h. man sollte es nicht mittels irgendeines Adapters einfach so in DE in die Steckdose stecken... Dann kommen (ggf. kurzzeitig) 18V raus, und ob der 7805 im MBX das mag...?
Besser, man nimmt einen Anpasstrafo.

Der Schaltplan

Dazu brauche ich das Ding auf dem Tisch!

Die Software

Das wird/ist ein separates Projekt in der Software-Ecke!

Kontakt:
{anyname}@{use_the_url}.net
Alle Bilder auf diesen Webseiten stammen - sofern nicht anders angegeben - von mir.
Findet ihr sie anderswo, wurden sie hier geklaut!
Letzte Aktualisierung:
2026-01-06 CW